新闻中心
新闻资讯
- 德菲医疗即将亮相14届东西部小动物临床兽医师大会
- 展会回顾|德菲医疗精彩亮相第十一届全国宠物医疗行业大会
- 麻醉机上的气道压力表有什么用?怎样更换?
- 德菲医疗异宠呼吸麻醉机助力潘氏兽医北京研究院异宠爬行动物培训
联系我们
联系人:王经理
手机:16601104668
电话:010-68845011
邮箱:sale@dolphinmed.cn
地址:北京市石景山区金顶北路69号院金隅科技大厦3层
新闻中心
麻醉机工作原理
麻醉机工作原理
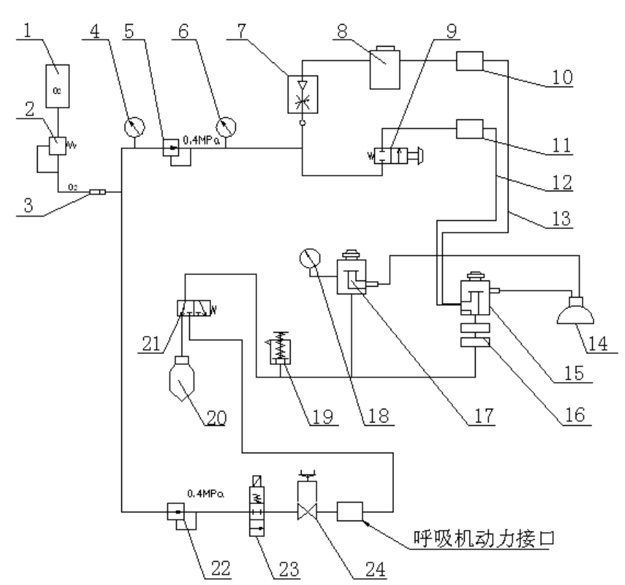
德菲DA1200v2麻醉机工作原理
麻醉机可以同时为宠物患者提供氧气和麻醉剂的蒸发气体,氧气可以由氧气瓶供给。氧气瓶(1)(参见原理图,下同)中的氧气经由减压器(2)一次减压,降至(0.5±0.1)Mpa,通过高压管路送入麻醉机的氧气接头(3)。
氧气,气源压力显示(4)显示输入气源压力,一路送入调压阀(5) 进行二次减压至0.4MPa,工作压力显示(6),至流量计(7)。由流量计出来的气体进入蒸发器(8),用氧气将麻醉剂的蒸发气体通过新气接口(10)带入宠物患者回路。
工作气源另一路通过快速供O2阀(9),然后通过快速供氧接头(11)到宠物患者回路,快速供氧的流量大于40L/min。
另一路进入宠物麻醉呼吸机作动力源,经过解压阀(22),氧气经流量调节阀(23)、电磁阀(24)到动力气出口为麻醉机提供呼吸动力。
来自蒸发器(8)的混合适宜,浓度恰当的氧气和麻醉剂的混合气体(新鲜流)经吸气活瓣(15)、面罩(14)在吸气过程中输送给宠物患者,宠物患者呼出的气体经呼气活瓣(17)、手动/机控转换开关(21)、流入贮气囊(20)或呼吸机,气体经由碱石灰罐(16)吸收二氧化碳之后,流向吸气活瓣(15),与新鲜气流一起再次送给宠物患者。此后循环将重复不已。
手动人工通气时,呼出的气体贮存在贮气囊内,呼吸机通气时,呼出的气体贮存在呼吸机的风箱里。
本机设有溢气和废气排放系统,打开APL阀(压力限制阀)(19)可排出多余气体并可调节限制宠物患者系统的气体峰值压力。微压表(18)可显示系统压力的变化。

以上就是德菲DA1200v2麻醉机工作原理,点击了解更多参数![]()
关于我们
德菲医疗是一家专业生产呼吸机,麻醉机,空压机,麻醉蒸发器的高科技制造企业公司,
营销和研发中心位于北京石景山中关村科技园,制造中心座落于山东淄博国家高新技术开发区。
德菲医疗宠物事业部主要业务:
1.动物麻醉机,动物呼吸机,麻醉蒸发器,动物废气回收系统,生产制造销售
2.动物麻醉机的升级维修维护保养业务
3.动物麻醉相关配件的销售和服务
4.动物麻醉机租赁业务
联系我们
山东德菲医疗科技有限公司
营销研发中心:北京市石景山区中关村科技园西井路15号
生产制造中心:山东省淄博市国家高新技术开发区中润大道158号MEMS产业园5号楼
电话:010-68845011
手机:13260192596/16601104668 (微信同步)
- 上一个:动物麻醉机使用前的清洁与消毒
- 下一个:动物麻醉机常见故障以及解决
新闻资讯
- 2023-05-30
- 2024-04-18
- 2022-12-13
- 2022-01-06
- 2024-09-10
- 2024-03-28




